重新开始的模电生活(三)
动态响应求解
输入为动态,输出也为动态的求解步骤
- 输入信号只保留变化量,输出也指标是变化量(不关心频率)
- 电路中的电压不变点接地,电路中电流不变支路开路 (详细解释看书)
- 电路中某个元件再某个范围内,可以用直线表示其伏安特性,且输入变化过程中,该元件始终在直线上,则该元件可以用其动态电阻代替
按照上述规则可以画出新的等效电路
双极性晶体管的动态模型——微变等效模型
低频等效
当输入变化量
rbe即为动态电阻,在放大状态情况下,Q1点处的动态电阻可以近似表示为:
其中rbb’为体电阻,一般为几到几百
当峰峰值为
晶体管低频等效
高频等效
不做解释(看模电书)
晶体管高频等效
动态分析三个重要指标
- 电压放大倍数
也叫电压增益,用Au表示,也可以用G表示,无单位。当输入正弦波峰峰值为ui,输出正弦波峰峰值为uo,电压增益为:
也可以用分贝表示:
- 输入电阻ri:
它属于动态电阻,多数情况下希望放大电路的输入电阻越大越好。
- 输出电阻ro:
指输出端带负载的能力。输出电阻越大带负载能力越弱。
动态分析的步骤
以晶体管微变等效模型为核心,针对原始电路画出动态等效电路
1.对电路中的电压不变点,实施接地。
2.对电路中的大电容,实施短接。对电路中的小电容,实施开路。
3.将晶体管,用晶体管的微变等效模型进行替代。
4.稍作整理
简化电路图
- 依次求解Au、ri
根据动态等效电路,可以很轻松得到如下结论:
输入电阻为:
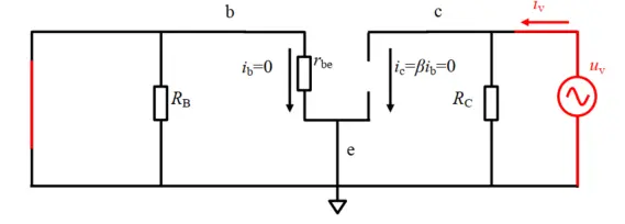
求解Ro :
按照下图
放大电路框图
- 先扔掉负载电阻。任何放大电路的输出电阻,都与负载电阻无关。
- 让输入激励源=0,对电压输入短接即可,此时受控源一定变为0。
- 在输出端加一个虚拟电压源Uv,在电路中计算由此引起的iv

求解输出电阻
评论
评论插件加载失败
正在加载评论插件
请完整填写 Valine 评论插件必需的配置项