模拟开关
模拟开关是一个电子开关,用外部数字逻辑信号控制两个端子之间的电阻:导通时电阻极小、断开时电阻极大。
模拟开关类型
包括单刀单掷、单刀双掷、双刀单掷、双刀双掷型。
刀:指一个信号控制的一个开关实体
掷:电极杆可以投掷的位置,单掷就是开关只有断开或闭合,双掷是开关有两个方向断开或闭合。

单刀单掷:Single Pole Single Throw——SPST
单刀双掷:Single Pole Double Throw——SPDT
BJT模拟开关
电路图如下,电源需要正负电源供电,这两个晶体管一个是NPN管另一个是PNP管,它们并联在一起。两个开关就看做一个GPIO口的控制信号,两个开关同时打开或者关断。

模拟开关导通时,T1管和T1管均是饱和导通状态,输入信号通过两个晶体管并联(更小的导通电阻),连接到负载。
模拟开关截止时,T1、T2处于截止状态。
MOSFET模拟开关
按照模拟开关的特性,我们使用一个MOSFET或者晶体管就可完成,它们本来就是一个“开关”。

当开关导通时:
当RL与RDS相近时,输出电压会有衰减。
导通时的RDS与UGS有关,而UGS会随着输入信号改变而变化,输出电压也会随之变化。
我们往往想让模拟开关输出电压稳定,也就是让它的RDS稳定。这用一对互补MOSFET(CMOS)即可。

此时的导通电阻RDS:

可以看到RDS比较固定,所以输出电压也会相对稳定。
负载开关
负载开关是一个可控制的开关,它能决定是否给某个指定负载供电。例如:手机中GPS功耗较大,实现低功耗要让GPS在需要时工作,不需要时关闭。
单晶体管负载开关
当被控制的VIN与LOGIC IN 高电平属于一个电压系列时,比如都是3.3V,使用一个PMOS就可以实现负载开关。
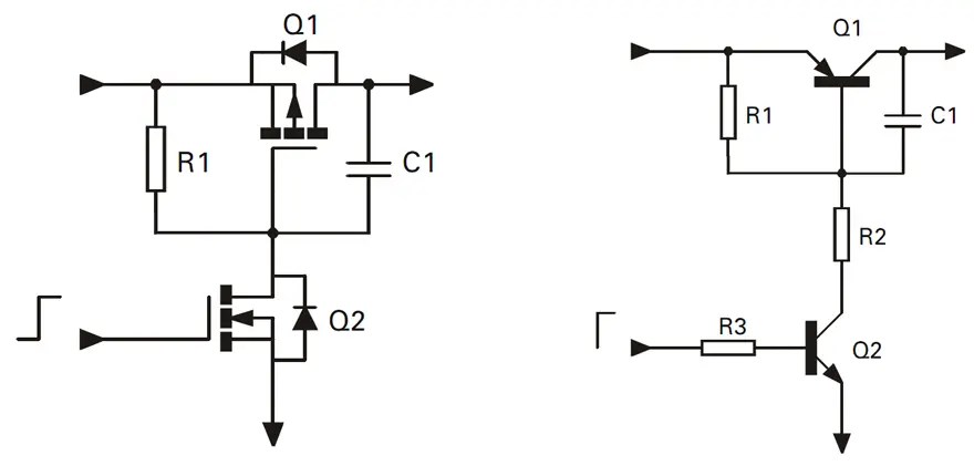
双晶体管开关
在更多情况下,被控制的电压VIN远大于微控制器的逻辑电压,比如VIN = 20V,逻辑电平为3V,如果还是用单晶体管开关,能实现导通无法实现截止。

Q1管导通与否取决于R1上面的压降,R1上压降大于PMOS管的UGSTH绝对值时他就会导通,只要流过一定电流,Q2管子正好控制流过R1管子的电流,只需我们控制Q2的栅极即可。