重新开始的模电生活(二)

晶体管的工作状态
- 截止状态:晶体管基极没有产生明显的电流,即IBQ非常小,导致ICQ也很小,晶体管没有导通。
- 放大状态:指IBQ合适,且满足
饱和状态:UCEQ小于UCES晶体管就处于饱和状态
倒置状态:C和E管脚接反,此时晶体管
下降严重
状态判断

判断法则
静态估算步骤
1.根据UBEQ=0.7V,利用戴维南等效,KCL,KVL求解出IBQ
2.假设晶体管处于放大状态,列出集电极回路方程解出UCEQ
3.如果UCEQ>=0.3V,则假设成立,反之不成立,晶体管处于饱和状态,UCEQ=0.3V
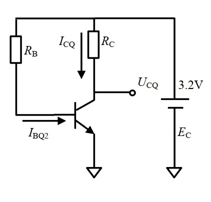
图解法求解静态工作点

电路图
输入伏安特性的图解法
根据电路列出方程
该直线与输入伏安特性曲线的交点为Q(UBEQ,IBQ)

输入伏安特性图解
改变RB的值会改变直线跟曲线的交点
输出伏安特性的图解法
可列出方程
该支线与输出伏安特性曲线的交点为Q(UCEQ,ICQ)

输出伏安特性图解
可发现改变RB的大小会改变输入曲线的交点,进而影响输出曲线上的点的位置,同理改变RC和EC都能达到同样效果
两部件串联分析法
- 分别画出两个部件的伏安特性曲线
- 以部件B的伏安特性曲线为基础,在图中找到横轴等于Ui的位置
- 以此为中心点,部件A的伏安特性曲线实施横向镜像,绘制再原图中,此时,两根曲线会有一个交点,交点横轴即为输出电压,纵轴就是输出电流。

输出伏安特性图解
三极管同理
评论
评论插件加载失败
正在加载评论插件
请完整填写 Valine 评论插件必需的配置项